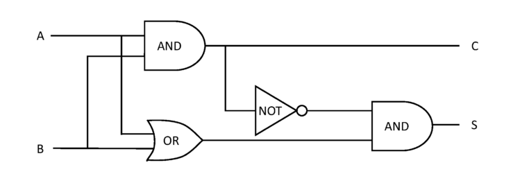
半加算回路シミュレータ
ビット A (0 または 1):
ビット B (0 または 1):
計算
結果
和 (S):
キャリー (C):